With the improvement of people's living standards, vacuum cleaners are rapidly becoming popular in Chinese households, and people's thinking has also changed. Nowadays, the demand for vacuum cleaners in ordinary households has also greatly increased.
The continuous development of technologies such as brushless motors, intelligent control, sensors, and lithium batteries has led to higher requirements for MOSFETs and higher power density in vacuum cleaner applications.
Lingxun provides low internal resistance, small volume packaging products suitable for vacuum cleaner applications, with low FOM [QG * RDS (on)] achieving very low conduction and switching losses. In addition, extremely low parasitic parameters can achieve higher frequencies and very high power density designs. Assist manufacturers in designing optimized and efficient solutions for vacuum cleaners.
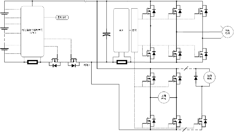
Typical application topology diagram
Recommend Part No.:
AC/DC Charger MOS:
VDS=650V-700V Ron @10V(max)=140mΩ-680mΩ
Synchronous rectifier MOS:
VDS=100V-150V Ron@10V(max)<10mΩ
Motor:
VDS=40V Ron@10V(max)=1mΩ-6.6mΩ DFN5*6
VDS=60V Ron@10V(max)=3.1mΩ-7.5mΩ DFN5*6
Lithium battery charge and discharge:
VDS=40V Ron@10V(max)=1mΩ-6.6mΩ DFN5*6
VDS=60V Ron@10V(max)=3.1mΩ-7.5mΩ DFN5*6

